2020牛股涨幅排行榜-预计下周一股市行情-【东方资本】,股票交易平台app排行榜,股票做t降低成本的原因,开股票配资公司怎么样

中文
線型光纖
簡述
樂視技有三種線型光源:1.半導體行業高均勻型配聚光鏡規格;2.高亮型配聚光鏡規格;3.線型(無聚光鏡)為圓光斑的規格。
聯系我們
分享該頁面
產品介紹
型號參數
文件下載
樂視技有三種線型光源:1.半導體行業高均勻型配聚光鏡規格;2.高亮型配聚光鏡規格;3.線型(無聚光鏡)為圓光斑的規格。

線型光纖(高均勻型)

LTS-LGX75-1800


LTS-LGX12520   

LTS-MK300-T2-150S

LTS-MK430-T3-110S

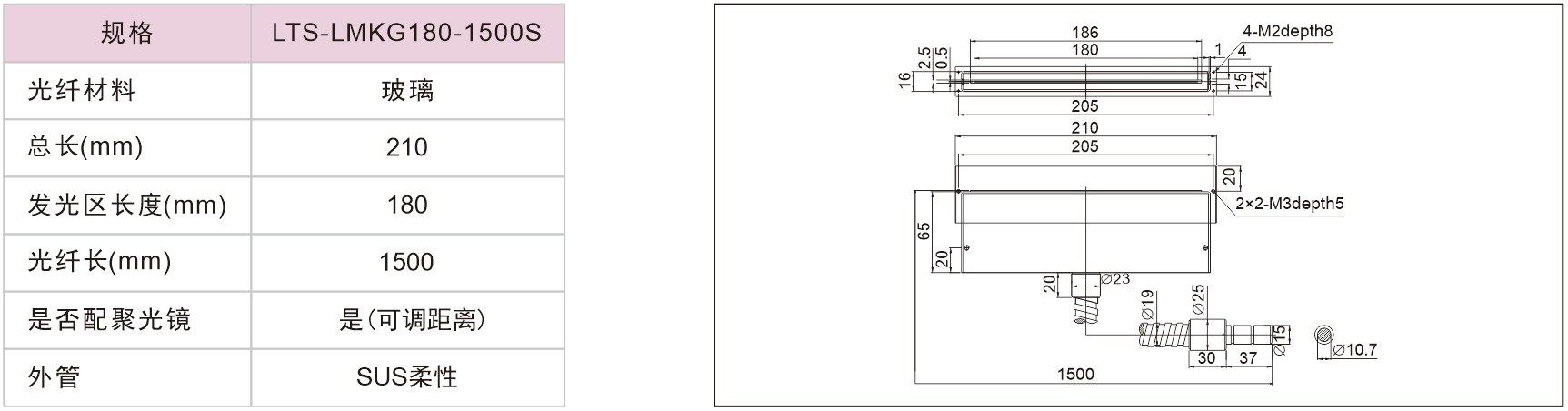
LTS-LMKG180-1500S




線型光纖(無聚光鏡)

LTS-MKG8.5-T2-200S

LTS-MKG35-T4-400S

*如需定制其它尺寸規格和耐高溫規格光纖,請與本公司銷售人員進行咨詢。




產品規格參數表:
型號 顏色